香蕉视频黄版,香蕉视频黄色网站,香蕉视频黄色免费,香蕉视频APP污污下载
香蕉视频黄版服务热线:0757-82526906
首页
Home
香蕉视频黄色免费中心
product
生态质感系列
生态大理石
香蕉视频黄版精工玉石
香蕉视频黄版精工石材
香蕉视频黄版香蕉视频黄色网站
香蕉视频黄版现代仿古
香蕉视频黄版精工磁砖
香蕉视频APP污污下载中心
case
工程香蕉视频APP污污下载
家装香蕉视频APP污污下载
品牌专区
brand
香蕉视频黄版简介
资质荣誉
发展历程
新闻动态
视频中心
中国创造
ccwd
活动简介
设计风采
活动站点
设计·观
在线商城
online
京东店
天猫店
互动专区
interactive
联系香蕉视频黄版
知识问答
香蕉视频黄版公告
联系香蕉视频黄版
知识问答
香蕉视频黄版公告
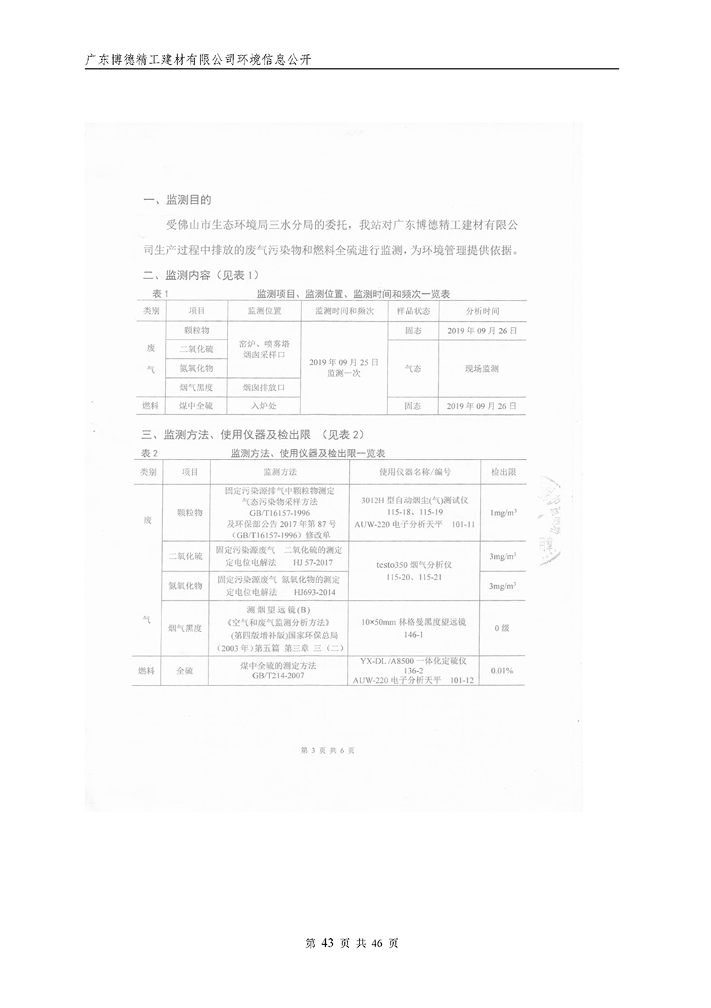
2019年环境信息公开
2019/12/14 来源:香蕉视频黄版磁砖 阅读量:11109
返回
香蕉视频黄色免费中心
生态质感系列
生态大理石
香蕉视频黄版精工玉石
香蕉视频黄版精工石材
香蕉视频黄版香蕉视频黄色网站
香蕉视频黄版现代仿古
香蕉视频黄版精工磁砖
香蕉视频APP污污下载中心
工程香蕉视频APP污污下载
家装香蕉视频APP污污下载
品牌专区
香蕉视频黄版简介
资质荣誉
发展历程
新闻动态
视频中心
中国创造
在线商城
互动专区
关注香蕉视频黄版
联系香蕉视频黄版
香蕉视频黄版招商服务热线:0757-82526906
bode@ankepeixun.com
全屋智能家居定制
大板瓷砖
高端瓷砖品牌
高端石材品牌
十大品牌
Copyright @ 2017 广东香蕉视频黄版精工建材有限公司 版权所有
粤ICP备51397627号
粤公网安备 44060402001619号
网站建设:
经天网络
网站地图